
热线电话
0514-87825075
丨 工业余热区域利用
产品名称 烧结余热发电
所属分类 工业余热区域利用
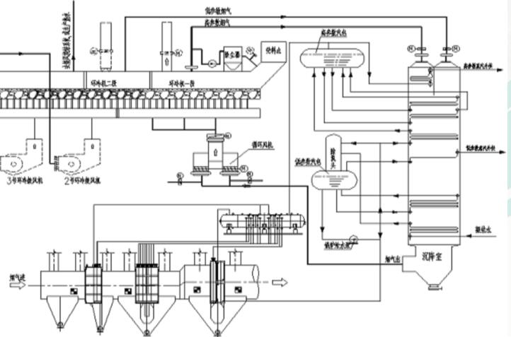
烧结余热发电工艺流程
烧结余热回收是降低烧结工序能耗、提高能源利用效率的重要途径。基本原理为:烧结矿在带冷机或环冷机上是通过鼓风进行冷却,由底部鼓入的冷风在穿过热烧结矿层时被加热,成为高温废气。将这些高温的废气通过引风机引入锅炉,加热锅炉内的水产生蒸汽,蒸汽推动汽轮机转动带动发电机发电。
烧结余热发电工艺流程图

第一代环冷机余热利用工艺
机上式布置,坐立在环冷机烟罩上方,直接利用一段高温烟气。特点:投资省,操作简便,维修困难,产汽量少,适用于小型环冷机。

第二代环冷机余热利用工艺
烟风系统半循环,取一段25万风量,二段10万风量,合成35万风量。通过再循环风机补入一段。特点:取风量少,循环风机小,产汽少,系统简单。

第三代环冷机余热利用工艺
烟风系统全循环,一、二段各取风25万风量,合计50万风量,循环风机入口补风20万风量,合成70万风量补入环冷机一、二段。特点:取风量多,循环风机大,产汽多,系统复杂。吨矿发电量16-18kWh/t.

第四代环冷机余热利用工艺
烟风系统全循环,一、二段各取风25万风量,合成50万风量补入环冷机一、二端,循环风机不设置补风口。特点:取风量多,循环风机小,产汽多,系统复杂,二段风机低负荷运行。吨矿发电量18-20kWh/t.

第五代环冷机余热利用工艺
烧结大烟道余热锅炉与环冷机余热锅炉一体化设计。特点:产气量多,参数稳定,受主系统工况影响较小。吨矿发电量20-23kWh/t.

经济性效益评估
以360m2烧结机年产370万t为例:
1)采用我司第五代烧结余热发电技术,按每小时输出功率8400KW计算(扣除自身用电损失)
2)年发电工作日:按8000小时计
3)每度电按现行平均工业使用电价:0.65元/度计
4)电站年运行管理费,按计划28人,每人每年4.5万元计,共126万元
5)工业净循环水按2.4元/吨,每年需补充新水525000吨,合计费用126万元
6)软水按15元/吨计算,每小时需补充30m3,每年需产生费用33.75万元
年产效益=年纯收电价收入-所有成本费用,即:8400×8000 ×0.65-1260000-1260000-337500=4082(万元)
上一篇:没有了!
下一篇:烟气余热回收